GWJ41H国标波纹管截止阀
- 销售:
- 销售:
- 传真:
详情介绍
- 产品介绍
- 服务承诺
- 订货流程
GWJ41H国标波纹管截止阀适用于公称压力PN1.6~16MPa,工作温度-29~350℃的石油、化工、制药、化肥、电力行业等各种工况的管路上,切断或接通管路介质。
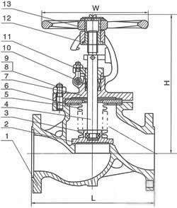
国标波纹管截止阀 结构特点
1、产品结构合理、密封可靠,双重坚固耐用的波纹管密封设计(波纹管+填料),保证阀杆的零泄漏。没有流体损失,降低能源损失,提高工厂设备安全。并符合国际密封标准。
2、密封面堆焊Co基硬质合金、耐磨、耐腐、抗摩擦性能好、使用寿命长3、阀杆调质及表面氮化处理,有良好的抗腐和抗摩擦性能;阀杆升降位置指示,更直观。
国标波纹管截止阀 技术规范
结构形式 | BB-BG-OS & Y |
驱动方式 | 手动 |
电动 | |
设计标准 | GB12235 |
结构长度 | GB12221 |
连接法兰 | GB9113、JB/T79、HG20596 |
试验和检验 | JB/T 9092、GB/T13927 |
国标波纹管截止阀 性能规范
公称压力 | 壳体试验压力 | 密封试验压力 | 适用温度 |
1.6 | 2.4 | 1.76 | ≤350℃ |
2.5 | 3.75 | 2.75 | |
4.0 | 6.0 | 4.4 | |
6.4 | 9.6 | 7.04 |

国标波纹管截止阀 主要零件材料
序号 | 名称 | 材质 |
1 | 阀体 | WCB、WC6、WC9、C5 CF8、CF8M、CF3、CF3M |
2 | 阀瓣 | 25、1Cr13、2Cr13 1Cr18Ni9Ti、 |
3 | 轴销 | 25、1Cr13、2Cr13 1Cr18Ni9Ti、 |
4 | 阀杆 | 25、1Cr13、2Cr13 1Cr18Ni9Ti、 |
5 | 波纹管组件 | 1Cr18Ni9Ti、304、316、304L、316L |
6 | 垫片 | 柔性石墨+不锈钢、PTFE |
7 | 阀盖 | WCB、WC6、WC9、C5 CF8、CF8M、CF3、CF3M |
8 | 双头螺栓 | 0Cr18Ni9Ti、0Cr18Ni12Mo2Ti |
9 | 六角螺母 | 0Cr18Ni9Ti、0Cr18Ni12Mo2Ti |
10 | 填料 | 柔性石墨 |
11 | 填料压盖 | WCB、WC6、WC9、C5 CF8、CF8M、CF3、CF3M |
12 | 阀杆螺母 | 铜合金 |
13 | 手轮 | WCB、QT400-18 |

国标波纹管截止阀 主要外形尺寸
型号 | GWJ41-16 | ||||||||||||||
压力等级 | PN16 | ||||||||||||||
口径 | 15 | 20 | 25 | 32 | 40 | 50 | 65 | 80 | 100 | 125 | 150 | 200 | 250 | 300 | 350 |
L | 130 | 150 | 160 | 180 | 200 | 230 | 290 | 310 | 350 | 400 | 480 | 600 | 730 | 850 | 980 |
H | 190 | 195 | 225 | 260 | 280 | 310 | 340 | 395 | 435 | 470 | 535 | 590 | 630 | 680 | 720 |
W | 120 | 140 | 140 | 180 | 200 | 220 | 260 | 280 | 300 | 340 | 400 | 450 | 450 | 500 | 500 |
重量(Kg) | 5 | 5 | 5.5 | 11 | 13.5 | 19 | 26 | 36 | 46 | 74 | 102 | 168 | 270 | 420 | 620 |
型号 | GWJ41-25 | ||||||||||||||
压力等级 | PN25 | ||||||||||||||
口径 | 15 | 20 | 25 | 32 | 40 | 50 | 65 | 80 | 100 | 125 | 150 | 200 | 250 | 300 | 350 |
L | 130 | 150 | 160 | 180 | 200 | 230 | 290 | 310 | 350 | 400 | 480 | 600 | 730 | 850 | 980 |
H | 190 | 195 | 225 | 260 | 280 | 310 | 340 | 395 | 435 | 470 | 535 | 590 | 630 | 680 | 720 |
W | 120 | 140 | 140 | 180 | 200 | 220 | 260 | 280 | 300 | 340 | 400 | 450 | 450 | 500 | 500 |
重量(Kg) | 5 | 5 | 5.5 | 11 | 14 | 20 | 27 | 37 | 48 | 77 | 105 | 172 | 3100 | 520 | 690 |
型号 | GWJ41-40 | ||||||||||||||
压力等级 | PN40 | ||||||||||||||
口径 | 15 | 20 | 25 | 32 | 40 | 50 | 65 | 80 | 100 | 125 | 150 | 200 | 250 | 300 | 350 |
L | 130 | 150 | 160 | 180 | 200 | 230 | 290 | 310 | 350 | 400 | 480 | 600 | 730 | 850 | 980 |
H | 190 | 195 | 225 | 260 | 280 | 310 | 340 | 395 | 435 | 470 | 535 | 590 | 630 | 680 | 720 |
W | 120 | 140 | 140 | 180 | 200 | 220 | 260 | 280 | 300 | 340 | 400 | 450 | 450 | 500 | 500 |
重量(Kg) | 5 | 5 | 5.5 | 11 | 14.5 | 21 | 28 | 39 | 50 | 80 | 108 | 176 | 350 | 590 | 790 |
良好的品质、优良的服务 首页-爱游戏(中国)官方网站为你创造更多价值!
“首页-爱游戏(中国)官方网站”的期望,不断提升服务质量,精益求精,“真诚的服务”是“首页-爱游戏(中国)官方网站”永恒的主题。“首页-爱游戏(中国)官方网站”严格按照IS09001-2000 质量体系认证要求,质量严格把关, 责任到人,确保生产、销售、服务的健康运行。加强与用户沟通,竭诚为广大客户提供优良产品,至善至美服务。特此我厂做出以下承诺:
产品标准:
产品严格按照中国GB、HG 标准和美国API等标准设计、制造、验收。密封面硬度达到国家规定要求,宽度超过国家标准。
售前服务:
产品介绍,技术交流,非标产品设计,疑难解答。
售中服务:
守信合同,保证及时供货,随时保持与客户联系。 对特殊或复制的产品,我厂安排技术人员对用户进行产品使用、故障排除
售后服务:
1、“首页-爱游戏(中国)官方网站”牌产品品质期为自出厂起12个月,实行“三包”服务(包退、包换、保修)。
2、产品在使用中我厂定期组织技术、质检人员进行访问,征询用户对产品质量、 使用状况、改进意见等方面的反馈, 以便进一步提高产品质量。
3、对用户投诉质量问题,快速作出反应,售后服务人员在24-36小时(省外48小时)赶赴现场。
4、对售后服务,要求用户填写服务后的质量反馈信息表,并作出鉴定意见,以便提高首页-爱游戏(中国)官方网站的服务质量。
1、客户如对产品有特殊要求,须在订货合同中提供以下说明:
a、结构长度;
b、连接形式;
c、公称直径、全通径、缩径、管道尺寸;
d、运行介质及温度、压力范围;
e、试验、检验标准及其他要求
2、本厂可根据客户特定要求配置各类驱动装置。
3、如由客户提供确定的阀门类型和型号时,客户应正确说明其型号的含义和要求,在供需双方理解一致的条件下签订合同。
4、期货、订货的客户请先来电函详细告诉所需的阀门型号、规格、数量以及交货时间、地点,并按总的30%预定金或全额货款及时汇入我厂帐户,其余货款待发货前汇入,以便及时安排发货。
订单流程:
1、客户采购清单传真至,或来电咨询
2、收到客户采购清单,为客户提供阀门型号选型与报价(价格清单)。
3、具体商定:交货期、特殊要求等事宜。
订货须知:
1、客户如对产品有特殊要求,须在订货合同中提供以下说明:
|
|||||
|
|||||
2、本厂可根据客户特定要求配置各类驱动装置。
|
|||||
3、如由客户提供确定的阀门类型和型号时,客户应正确说明其型号的含义和要求,在供需双方理解一致的条件下签订合同。
|
|||||
4、期货、订货的客户请先来电函详细告诉所需的阀门型号、规格、数量以及交货时间、地点,并按总的30%预定金或全额货款及时汇入我厂账户, 其余货款待发货前汇入,以便及时安排发货。
|
售中服务:
守信合同,保证及时供货,随时保持与客户联系。
对特殊或复制的产品,我厂安排技术人员对用户进行产品使用、故障排除
售后服务:
1、“首页-爱游戏(中国)官方网站”产品品质期为自出厂起12个月,实行“三包”服务(包退、包换、保修)。
2、产品在使用中我厂定期组织技术、质检人员进行访问,征询用户对产品质量、使用状况、改进意见等方面的反馈,
以便进一步提高产品质量。
3、对用户投诉质量问题,快速作出反应,售后服务人员在24-36小时(省外48小时)赶赴现场。
4、对售后服务,要求用户填写服务后的质量反馈信息表,并作出鉴定意见,以便提高“首页-爱游戏(中国)官方网站”的服务质量。
声明 |
|